在蘋果發布其最新旗艦TWS耳機產品AirPods Pro 2后,業界的目光再次集中于這款“明星產品”。其搭載全新H2芯片,帶來較上一代更強的降噪能力;聲學方面,支持個性化空間音頻,帶來更具沉浸感的聆聽體驗。此外,蘋果還在原有的壓感及佩戴檢測的基礎上,為AirPods Pro 2新增了滑動式交互體驗,使用戶可以不借助手機等設備,即可以滑動觸控的形式直接用耳機進行音量調節。
蘋果這次為AirPods Pro 2賦予的滑動式觸控操作,也成為了眾多音頻廠商競相跟進的全新操控模式,我們也在vivo、OPPO等品牌后續推出的TWS產品中看到了“壓感+滑動”觸控的實際應用,為廣大用戶提供了極大的操控便利性。帶著對這項操控技術的興趣,本次我愛音頻網聯合領先的智能人機界面處理器企業銳盟半導體對AirPods Pro 2滑動觸控的特點、原理進行了深度分析,以期為大家帶來同樣極致體驗的方案。
一、AirPods Pro 2滑動觸控操作介紹
在初代AirPods Pro發布時,其配備了全新的壓感觸控操作以替代早期的敲擊觸控模式:輕捏耳機柄,即可完成播放、暫停、上一曲、下一曲等操作。上述觸控方式極大改善了傳統觸控操作所帶來的誤觸、識別率等缺陷,使操控更加精準。

第二代AirPods Pro則在延續按壓觸控的基礎上,新增滑動式操作:上下輕掃指定滑動區域即可調節音量。
“壓感+觸控”的全新觸控模式,為這一代AirPods Pro新品帶來了里程碑式的影響力,啟發了TWS耳機廠商對于觸控邏輯的思考,促成了其他品牌在其TWS耳機產品中加入了這一操控模塊。
透過現象看本質,接下來筆者將通過對AirPods Pro 2內部元件及方案的推測,剖析其全新觸控操作模式的原理。

上圖為蘋果AirPods Pro 2真無線降噪耳機元器件結構全家福,我愛音頻網拆解得到。
我愛音頻網曾對AirPods Pro、AirPods 3、AirPods Pro 2三款產品做了拆解,并撰寫發布了相應的拆解報告。
二、AirPods Pro 2觸控原理分析

AirPods Pro 2壓感+滑動式交互引爆業界 深度解析原理與替代方案-我愛音頻網在對初代AirPods Pro的拆解中,我們發現其首次采用蘋果H1 SiP封裝系統,同時引入壓感操作,可通過雙指捏合耳機柄端區域完成交互操作,避免誤觸及敲擊時聽診器效應帶來的不適感。

在對2021年秋季發布的AirPods 3的拆解中,發現其采用柔性力度傳感器方案,能夠更好地利用耳機柄內部空間,也為AirPods Pro 2在狹小的空間內置入更多的元件做了鋪墊。

讓我們再把視線轉回AirPods Pro 2,上圖為對應耳機凹槽位置的排線與下方藍牙天線形成的壓力及結構感應展示,體現出耳機仍然通過雙指捏合耳機柄端區域完成交互操作。

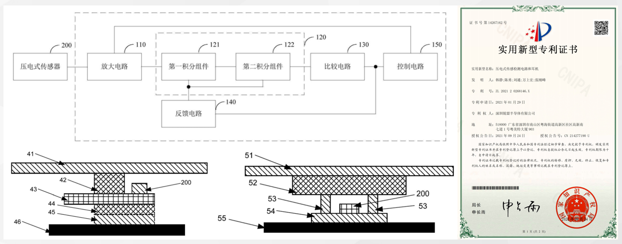
通過上圖,我們可以清晰地看到,AirPods Pro 2裝配了壓感+滑動二合一傳感器及了壓感+滑動二合一處理器芯片,這也是本次AirPods Pro 2新增滑動手勢完成音量調節的關鍵部件所在。

上圖為AirPods Pro 2內置的3鍵滑動FPC。

上圖為AirPods Pro 2內置的力敏傳感器,上方為按壓有效區域。

上圖為AirPods Pro 2壓感+滑動部分結構組裝3D圖。
通過對AirPods Pro 2內部元件的拆解分析,我們發現了“壓感+滑動”二合一觸控操作正是借助這些精密的部件以及考究的封裝得以實現。蘋果產品中的多項技術為其獨家持有,國產能有與之功能相近的替代方案嗎?
三、AirPods Pro 2壓感方案有無平替之選?
上文我們介紹了AirPods Pro 2的“壓感+滑動”二合一觸控交互方案的原理解析,但由于其專利技術為蘋果獨家持有,相關元件及配置方案也僅僅掌握在其合作的供應鏈企業手中,非普通廠商能夠觸及,實現起來存在相當大的難度。此外,普通音頻廠商需要實現此類難度的滑動觸控功能,若自行研究開發,需要投入大量的時間與資金成本進行攻堅,方可見效,且成品的一致性測試通過率恐無法達到合格標準,將會給產品帶來負面影響。
那么,“壓感+滑動”二合一觸控交互,是否存在可行性高且成本更低的平替之選?答案是肯定的。目前,已有國內企業完成了這類觸控交互方案的研發與成品,可提供接近于AirPods Pro 2般的操控體驗,且運用成本更低,更具性價比。例如銳盟半導體,就做出了這樣的方案供各大音頻廠商選用。
為了能夠讓TWS耳機產品實現與蘋果AirPods系列相近的壓感+滑動功能,銳盟半導體與多家廠商共同探討研究后,推出了觸摸+滑動二合一SoC芯片銳盟RM1105A集成解決方案,具有極致體驗和更高性價比。

上圖為銳盟半導體RM1105A 滑動+壓感二合一方案一建議結構圖:FPC,其壓感+滑動部分結構組裝部分內含塑膠補強板、硅膠、壓電陶瓷傳感器、FPC等部件。
利用該方案,可實現三鍵滑動,同時,在下方設置了壓電陶瓷傳感器,通過硅膠作為支撐,當用戶進行按壓操作時,通過塑膠補強板將壓力與形變傳導至壓電陶瓷傳感器,從而完成相關識別。

上圖為銳盟半導體RM1105A 滑動+壓感二合一方案二:蘑菇頭,其壓感+滑動部分結構組裝部分內含蘑菇頭、PCB主板、壓電陶瓷傳感器、硅膠等部件。
該方案成本更低,其利用兩枚蘑菇頭作為滑動,同時蘑菇頭中間的硅膠將相關壓力和形變的傳導至PCB主板與傳感器,該方案優勢在于,避免了人工組裝PCB連接器所造成的高成本。

銳盟半導體的壓電感知方案集合了對于壓電微弱信號的采集,包括對相關參數的自動學習和補償、溫濕度環境自適應、自適應濾波和智能處理算法等核心技術,在電路結構應用方面做了一定的專利保護。

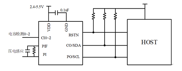
上圖為銳盟半導體RM1105A 滑動+壓感二合一應用電路示意圖。

由于傳感器、外殼、硅膠與組裝皆存在一定的不一致性,疊加之后會使耳機在量產后令用戶產生不適體驗,為此,銳盟半導體搭建了壓感自動化校準與測試平臺,可設置不同的壓力值、按壓時長、按壓次數,提供高效的量產自動化測試與量產補償。

在人機交互產品方面,最重要的技術難點是如何使得傳感器與調理芯片提供較高的信噪比,在銳盟半導體提供的方案中,可實現輕按、重按、輕長按、重長按等場景下50倍以上的平均信噪比。
四、銳盟半導體滑動式觸控芯片產品介紹
隨著全新AirPods Pro2的發布,滑動已經成為智能觸控交互的熱點。銳盟半導體致力于提高人機交互體驗,基于多年的技術積累,針對滑動應用正式發布RM1009A及RM1105A系列完整解決方案。

RM1105A封裝圖(DFN10L)
RM1105A參考原理圖

RM1009A封裝圖(DFN8L)

RM1009A應用原理圖
五、銳盟壓感方案產品應用

銳盟壓感交互觸控方案已獲得多家廠商的青睞,據我愛音頻網拆解看到骨聆SS900真無線骨傳導耳機,該產品采用夾耳式的開放式耳機形態,相較于常見的桿狀入耳式耳機,很難實現類似的壓感操作。這款產品采用特殊定制壓感觸摸方案,對信噪比、結構靈活性有超高的要求,夾耳式耳機的壓感體驗困難度要遠高于普通TWS耳機產品。

骨聆SS900真無線骨傳導耳機所搭載的銳盟半導體 RM1101A 高性能佩戴檢測和壓感二合一芯片特寫。

銳盟半導體 RM1101A 詳細資料圖如上,其內部的自校準電路可以消除 Sensor 端的固定距離誤差。芯片擁有豐富的可配置寄存器,可以針對不同結構傳感器和工作環境進行調整和校準,并根據用戶需求實現高性能、低功耗的調節。
我愛音頻網總結
在AirPods Pro 2再次引領TWS耳機觸控新體驗、新思路后,預計全球各大音頻廠商將隨時緊跟這一風潮,在推出支持“壓感+滑動”觸控功能的產品同時,更進一步優化觸控體驗,或是繼續向前探索,取得更進一步的突破。這一系列的創新技術,離不開上游供應鏈企業對于相關結構模塊及方案的研發摸索及改進,惠及更多品牌產品。
隨著TWS耳機智能化需求的逐步提高,壓感觸控、佩戴檢測、滑動觸控、溫度傳感等技術已成為技術發展趨勢,期待更多的廠商推出優質的解決方案,給TWS耳機產品帶來更好的使用感受。



日期:2023-03-08





粵公網安備44030002001038